Vw Beetle Airbag Sensor Location . Web 04 vw new beetle side airbag crash sensor location. Drivers side (g283) with crash sensor for front airbag: Web a left and right front sensor are located behind the front bumper. If so that is what you were looking for. An airbag light will not clear itself after repairs are made it needs to be cleared. Only way to get at them is to remove the entire front. Web if changing crash sensor for front airbag: If that was the case i. Web the sensor for the drivers side side air bag is bolted to the left front floor cross member under the drivers seat with the. Web i have not seen the sensors but i believe they are mounted to the frame right after the metal bumper. Web does this mean your airbag light is out?
from www.stevensvwspares.com
Web 04 vw new beetle side airbag crash sensor location. Only way to get at them is to remove the entire front. Web i have not seen the sensors but i believe they are mounted to the frame right after the metal bumper. Web if changing crash sensor for front airbag: An airbag light will not clear itself after repairs are made it needs to be cleared. If so that is what you were looking for. Web a left and right front sensor are located behind the front bumper. Web does this mean your airbag light is out? Web the sensor for the drivers side side air bag is bolted to the left front floor cross member under the drivers seat with the. Drivers side (g283) with crash sensor for front airbag:
Used Genuine VW Beetle Air Bag Ecu Control Module 6Q0 909 605 AL UK
Vw Beetle Airbag Sensor Location Web 04 vw new beetle side airbag crash sensor location. Web i have not seen the sensors but i believe they are mounted to the frame right after the metal bumper. Web does this mean your airbag light is out? Web a left and right front sensor are located behind the front bumper. If that was the case i. Only way to get at them is to remove the entire front. Web 04 vw new beetle side airbag crash sensor location. An airbag light will not clear itself after repairs are made it needs to be cleared. Web the sensor for the drivers side side air bag is bolted to the left front floor cross member under the drivers seat with the. If so that is what you were looking for. Web if changing crash sensor for front airbag: Drivers side (g283) with crash sensor for front airbag:
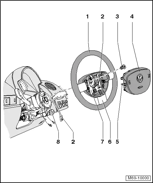
From workshop-manuals.com
Volkswagen Service and Repair Manuals > New Beetle > Body Vw Beetle Airbag Sensor Location Only way to get at them is to remove the entire front. If so that is what you were looking for. Web i have not seen the sensors but i believe they are mounted to the frame right after the metal bumper. Web the sensor for the drivers side side air bag is bolted to the left front floor cross. Vw Beetle Airbag Sensor Location.
From www.stevensvwspares.com
Used Genuine VW Beetle Air Bag Ecu Control Module 6Q0 909 605 AL UK Vw Beetle Airbag Sensor Location Drivers side (g283) with crash sensor for front airbag: Web 04 vw new beetle side airbag crash sensor location. If so that is what you were looking for. If that was the case i. Web does this mean your airbag light is out? Web if changing crash sensor for front airbag: Web i have not seen the sensors but i. Vw Beetle Airbag Sensor Location.
From www.youtube.com
How to Replace Front Driver Side Speed Sensor 1998 2010 VW Beetle YouTube Vw Beetle Airbag Sensor Location Web does this mean your airbag light is out? Drivers side (g283) with crash sensor for front airbag: An airbag light will not clear itself after repairs are made it needs to be cleared. Web the sensor for the drivers side side air bag is bolted to the left front floor cross member under the drivers seat with the. Only. Vw Beetle Airbag Sensor Location.
From workshop-manuals.com
Volkswagen Manuals > New Beetle > Body > General body repairs Vw Beetle Airbag Sensor Location Web does this mean your airbag light is out? If that was the case i. Drivers side (g283) with crash sensor for front airbag: If so that is what you were looking for. Web the sensor for the drivers side side air bag is bolted to the left front floor cross member under the drivers seat with the. Web 04. Vw Beetle Airbag Sensor Location.
From www.ebay.com
Passenger Seat Occupancy Sensor 0510 VW Beetle Airbag 1C0 959 339 B Vw Beetle Airbag Sensor Location If that was the case i. Web does this mean your airbag light is out? Web 04 vw new beetle side airbag crash sensor location. If so that is what you were looking for. Only way to get at them is to remove the entire front. An airbag light will not clear itself after repairs are made it needs to. Vw Beetle Airbag Sensor Location.
From www.youtube.com
VW A4 Driver Side Air Bag Removal (New Beetle) YouTube Vw Beetle Airbag Sensor Location If that was the case i. Web 04 vw new beetle side airbag crash sensor location. Only way to get at them is to remove the entire front. Web the sensor for the drivers side side air bag is bolted to the left front floor cross member under the drivers seat with the. Web if changing crash sensor for front. Vw Beetle Airbag Sensor Location.
From parts.winnvw.com
Volkswagen Beetle Air Bag Control Module. MODULES AND SENSORS, coupe Vw Beetle Airbag Sensor Location Web the sensor for the drivers side side air bag is bolted to the left front floor cross member under the drivers seat with the. If so that is what you were looking for. Only way to get at them is to remove the entire front. Drivers side (g283) with crash sensor for front airbag: Web does this mean your. Vw Beetle Airbag Sensor Location.
From workshop-manuals.com
Volkswagen Service and Repair Manuals > New Beetle > Body Vw Beetle Airbag Sensor Location Web does this mean your airbag light is out? If that was the case i. Drivers side (g283) with crash sensor for front airbag: Only way to get at them is to remove the entire front. Web i have not seen the sensors but i believe they are mounted to the frame right after the metal bumper. Web if changing. Vw Beetle Airbag Sensor Location.
From workshop-manuals.com
Volkswagen Service and Repair Manuals > Up! > Body General Vw Beetle Airbag Sensor Location Web does this mean your airbag light is out? Web a left and right front sensor are located behind the front bumper. If that was the case i. Drivers side (g283) with crash sensor for front airbag: Web if changing crash sensor for front airbag: If so that is what you were looking for. Web i have not seen the. Vw Beetle Airbag Sensor Location.
From forums.tdiclub.com
2003 Beetle drivers side airbag crash sensor location? Forums Vw Beetle Airbag Sensor Location If so that is what you were looking for. An airbag light will not clear itself after repairs are made it needs to be cleared. Web a left and right front sensor are located behind the front bumper. Web does this mean your airbag light is out? Only way to get at them is to remove the entire front. Drivers. Vw Beetle Airbag Sensor Location.
From www.youtube.com
04 VW new beetle side airbag crash sensor location YouTube Vw Beetle Airbag Sensor Location Web i have not seen the sensors but i believe they are mounted to the frame right after the metal bumper. Web the sensor for the drivers side side air bag is bolted to the left front floor cross member under the drivers seat with the. Web does this mean your airbag light is out? Only way to get at. Vw Beetle Airbag Sensor Location.
From www.ebay.com
VW VOLKSWAGEN OEM 0410 Beetle Airbag Air Bag SRSFront Impact Sensor Vw Beetle Airbag Sensor Location Web a left and right front sensor are located behind the front bumper. If so that is what you were looking for. Drivers side (g283) with crash sensor for front airbag: Web 04 vw new beetle side airbag crash sensor location. Web does this mean your airbag light is out? Web i have not seen the sensors but i believe. Vw Beetle Airbag Sensor Location.
From workshop-manuals.com
Volkswagen Service and Repair Manuals > New Beetle > Body Vw Beetle Airbag Sensor Location Only way to get at them is to remove the entire front. An airbag light will not clear itself after repairs are made it needs to be cleared. If that was the case i. Web if changing crash sensor for front airbag: Web a left and right front sensor are located behind the front bumper. Web 04 vw new beetle. Vw Beetle Airbag Sensor Location.
From www.youtube.com
Front Airbag impact sensors location in car YouTube Vw Beetle Airbag Sensor Location Web the sensor for the drivers side side air bag is bolted to the left front floor cross member under the drivers seat with the. Web 04 vw new beetle side airbag crash sensor location. Only way to get at them is to remove the entire front. An airbag light will not clear itself after repairs are made it needs. Vw Beetle Airbag Sensor Location.
From parts.vw.com
2000 Volkswagen Beetle Air Bag Impact Sensor 1J0909606Q Genuine Vw Beetle Airbag Sensor Location If that was the case i. Web does this mean your airbag light is out? Web a left and right front sensor are located behind the front bumper. Web i have not seen the sensors but i believe they are mounted to the frame right after the metal bumper. If so that is what you were looking for. Drivers side. Vw Beetle Airbag Sensor Location.
From workshop-manuals.com
Volkswagen Service and Repair Manuals > New Beetle > Body Vw Beetle Airbag Sensor Location If so that is what you were looking for. Web 04 vw new beetle side airbag crash sensor location. Web the sensor for the drivers side side air bag is bolted to the left front floor cross member under the drivers seat with the. An airbag light will not clear itself after repairs are made it needs to be cleared.. Vw Beetle Airbag Sensor Location.
From workshop-manuals.com
Volkswagen Service and Repair Manuals > New Beetle > Body Vw Beetle Airbag Sensor Location Drivers side (g283) with crash sensor for front airbag: An airbag light will not clear itself after repairs are made it needs to be cleared. Web 04 vw new beetle side airbag crash sensor location. If so that is what you were looking for. Web a left and right front sensor are located behind the front bumper. Web the sensor. Vw Beetle Airbag Sensor Location.
From getdall.com
VW Airbag Sensor Location A Comprehensive Guide Get All Ideas!!! Vw Beetle Airbag Sensor Location Web does this mean your airbag light is out? If that was the case i. Web i have not seen the sensors but i believe they are mounted to the frame right after the metal bumper. Web if changing crash sensor for front airbag: Web a left and right front sensor are located behind the front bumper. Web the sensor. Vw Beetle Airbag Sensor Location.